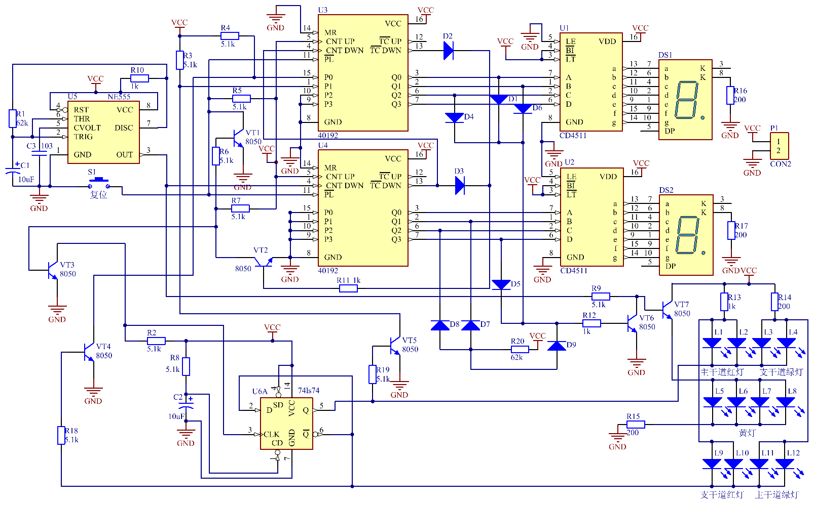
交通信号機キット [K-TL2DA] 交通信号機キット [K-TL2DA] 準備中 返品特約に関する重要事項 お気に入り登録 ●概要 ●仕様・機能 ★本商品は組立キットで、半田付けが必要です★交通信号機キット、基板寸法:132 x 83 mm、動作電源:5V、回路図、表記価格:1 <構成部品一覧> (準備中)